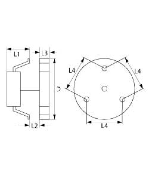
Ventilator aer cald pentru cuptor. Ventilator producator FIME tip C20X0E01/15CLH,alimentare 220-230V, putere 32W, diametru turbina 155mm, distanta intre gaurile de fixare(L4) – 87mm.Pentru MODULAR, ELECTROLUX, JUNO, SOGECO

512.99Lei
Fără TVA: 423.96Lei
Cod produs: 601273
Stoc

OverView

Detalii tehnice ventilator aer cald cuptor: type     C20X0E01/15CLH    manufacturer     FIME    fan wheel diameter     155 mm   length 4     87 mm   length 3     25 mm   length 2...